Ontwerp, re-engineering en revisie van machines, constructies en productiesystemen. Meer dan 25 jaar ervaring in industrieel engineering.
Neem contact opVan conceptontwerp tot productieoptimalisatie — technische engineering voor de industrie.
Ontwerp van machines, onderdelen, platformen en constructies. Van concept tot productiegereed 3D-model en werktekening.
Herontwerp en revisie van bestaande machines en onderdelen. Verbetering van prestaties, levensduur en veiligheid.
Ontwerp en levering van industriële zeven volgens FDA-standaard. Geschikt voor food, pharma en chemische toepassingen.
Analyse en optimalisatie van productiesystemen en productielijnen. Knelpunten identificeren, oplossingen implementeren.
Een selectie van recent uitgevoerde engineering-projecten.

Ontwerp en fabricage van maatwerk RVS componenten: toevoerhoppers, stortgoten en zeefbehuizingen met geïntegreerde roosters. FDA-conforme afwerking voor food en farma.

3D-ontwerp van een industrieel platform met trap, bordes en leuningwerk voor veilige toegang tot procesapparatuur.

Het gerealiseerde platform in productieomgeving. Van 3D-ontwerp tot plaatsing op locatie.

Gedetailleerde technische tekening met isometrisch aanzicht, doorsnede en maatvoering van een industriële menginstallatie.

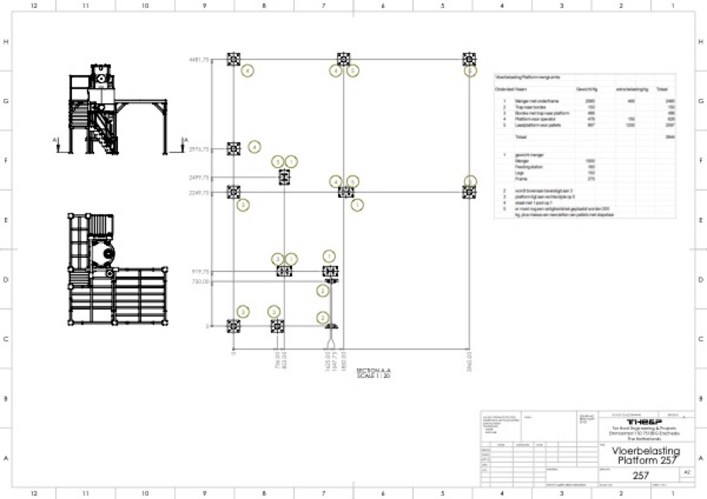
Technische berekening en tekening van vloerbelasting voor een industrieel mengplatform.

Huib ter Horst is een ervaren engineer met ruime expertise in industrieel ontwerp en machinebouw. Met meer dan 25 jaar ervaring levert hij technische oplossingen voor uiteenlopende industrieën — van food en farma tot chemie en machinebouw.
Specialismen liggen in het ontwerp en de re-engineering van machines, onderdelen en constructies, de analyse van productiesystemen, en het leveren van industriële zeven volgens FDA-standaard.
Ruime ervaring in het werken met SolidWorks en Autodesk Inventor, in combinatie met PDM-systemen voor efficiënt documentbeheer en samenwerking.
Heeft u een technische uitdaging of zoekt u een engineering partner? Neem vrijblijvend contact op voor een kennismaking.